E+H數字壓力變送器PMC71采用無油陶瓷傳感器的數字式壓力變送器,主要用于過程工業和衛生行業,可測量液體和氣體的壓力、液位、體積和質量。PMC71使用耐真空陶瓷膜片,確保測量系統高度**。量程可調,快速設定功能使調試更簡單,節省成本和時間。
優點
• **的重復性和長期穩定性
• 高參考測量精度:max. ±0.025 %
• *大量程比為100:1,更高量程比可通過特殊選型訂購
• 過程壓力監控的*高**等*為SIL 3,通過TÜV SÜD 認證,符合IEC 61508 標
準
• 在操作過程中對測量單元和電子插件進行功能監測,**性高
• 隔膜密封系統采用**的TempC 膜片,*大限度地降低了環境和過程溫度變化
引起的測量誤差
• HistoROM®/M-DAT 確保能簡便地更換電子插件
• 標準化平臺,適用于差壓變送器(Deltabar S)、靜壓變送器(Deltapilot S) 和壓力變
送器(Cerabar S)
• 合理用戶界面,調試簡單快速
• 多項診斷功能
E+H數字壓力變送器PMC71測量原理:
陶瓷傳感器是非充油傳感器,即過程壓力直接作用在堅固耐用的陶瓷過程隔離膜片上,導致膜片發生形變。陶瓷基板電*和過程隔離膜片電*可以檢測與壓力成比例關系的電容變化量。陶瓷過程隔離膜片的厚度確定了測量范圍。
![]()

產品設計:
![]()

優點
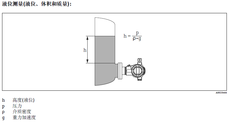
• 針對應用優化,在儀表軟件中選擇液位測量模式。
• 通過用戶自定義特征曲線可在任意形狀的容器中進行體積和質量測量。
• 多種液位測量單位可選,自動單位轉換。.
• 可以設置用戶自定義單位。
• 應用廣泛,例如:
– 泡沫液面
– 帶攪拌器或屏蔽裝置的罐體
– 液化氣體
部分產品型號:
|
DTI200-A12A1A |
FDU80-RG2S |
FDU83-RG3 |
FDU91-RG8AA,L=50M |
|
DT1200-A14C1A |
FDU80-RG2A |
FDU83-RG2A |
FDU91-RG5AA |
|
DT1200-A14B1A |
FDU80-RG1A |
FDU83-RG2L=10M |
FDU91-RG4AA |
|
DT1200-A12B1A |
FDU80-JG8A電纜長度50米 |
FDU83-RG2 |
FDU91-RG3AA |
|
DK9CM-7 |
FDU80-JG8AL=5M |
FDU82-RG3A |
FDU91-RG2AA |
|
DK8MS-A4D1A2 |
FDU80-JG1B |
FDU82-RG3 |
FDU91-RG1AA |
|
DK8MS-A2D1A2 |
FDU80F-RN3 |
FDU82-RG2 |
FDU91-JG4AA |
|
DC12TE-A11AB1BKL1,L1=250MM |
FDU80F-RG3A |
FDU82-RG1 |
FDU91-JG1AA |
|
DC12TA-A11EL1BM41L=12 |
FAU70A-2452 |
FDU81-RG8A,L=50M |
FDU91F-RG1A |
|
DC11TEN-AA11D1BK41,L=1600MM |
FAU40-2N |
FDU81-RG4A |
FDU91-EN1AA |
|
DC11TEN-AA11B1BKK1L=3M |
FAU40-2G |
FDU81-RG3A |
FDU86-UN6 |
|
DC11TEN-AA11A1BKL1L=600 |
FAU40-1G |
FDU81-RG2A |
FDU86-RG6 |